Ref : 1142961-0L
Location Local d'activités
Location Locaux d'Activités - Décines Charpieu (69150) - 973 m² divisibles à partir de 30 m²
Décines-Charpieu (69150)
Loyer : 80 040 € / an
Surface 973 m²
Divisible dès 30 m²
Description du bien
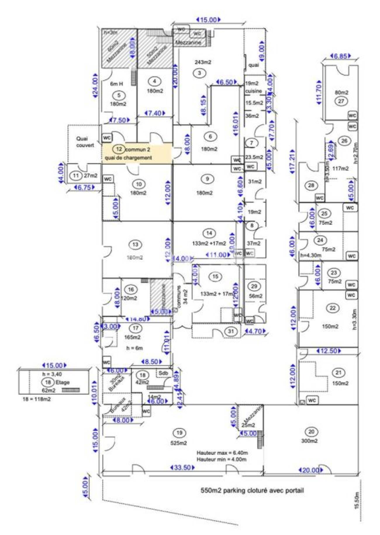
MALSH Realty vous propose à la location, au sein d'un parc d'activités entièrement sécurisé par vidéosurveillance et avec un accès par portail automatique, six locaux d'activités d'environ 30 m², 75 m², 118 m², 240 m² (équipé d'un quai), 243 m² (équipé d'un quai) et d'environ 267 m².
Ces locaux bénéficient de places de parking privatives et sont idéals pour des activités artisanales ou de stockage.
Prestations du bien
- Portail automatique
- Lot 3 :
- Surface activité : 243 m²
- Quai PL
- Sanitaires
- 3 places de parking nominatives et nombreuses places visiteurs à disposition
- Lot 5 :
- Accès direct sur la rue
- Quai de déchargement
- Lot 8 & 9 :
- 1 accès par porte double battants (2.4 m x 2.8 m)
- Hauteur sous poutre 4 m
- Hauteur au faitage : 6 m
- Eclairage néons
- Eclairement zénithal
- Dalle béton
- Grand et haut hall d'entrée
- 2 bureaux
- Sanitaires
- Faux-plafonds dalles minérales
- Luminaires encastrés
- Sol revêtement type linoléum
- Chauffage électrique par convecteurs
- 3 places de parking nominatives et nombreuses places visiteurs à disposition
Informations financières
- Charges minimales : 151 €
- Bail : commercial 3-6-9 ans
- Informations location :
Conditions particulières à la location : EDF :
Lot 3 : 110 euros HT/an
Lot 5 : 893 euros HT/an - Dépôt de garantie : 3 mois de loyer HT/HC
- Honoraires de commercialisation : 20 % HT du loyer annuel HT à la charge du preneur, payables à la signature du bail
Ce local professionnel vous est présenté par
Vous souhaitez nous joindre ?
Surfaces des locaux
| Étage | Bâtiment | Type | Surfaces | Disponibilité | Loyer | Charges | Honoraires | Fiscal | Bail | Révision annuelle | Prix | Charges | Honoraires | Fiscal | Paiement Loyer | lot | Coworking | |
|---|---|---|---|---|---|---|---|---|---|---|---|---|---|---|---|---|---|---|
| Activités | 243 | 15 % HT du loyer annuel HT à la charge du preneur, payables à la signature du bail | T.V.A. (20%) | ILAT Indice des Loyers des Activités Tertiaires | Trimestriel d'avance | |||||||||||||
| Parkings | - | 15 % HT du loyer annuel HT à la charge du preneur, payables à la signature du bail | T.V.A. (20%) | ILAT Indice des Loyers des Activités Tertiaires | Trimestriel d'avance | |||||||||||||
| Total Cellule 3 | Activités | 243 | Immédiate | 85 HT/HC/m²/an | 1 811 HT/an | 15 % HT du loyer annuel HT à la charge du preneur, payables à la signature du bail | T.V.A. (20%) | commercial 3-6-9 ans | ILAT Indice des Loyers des Activités Tertiaires | Trimestriel d'avance | 3 | |||||||
| Mezzanine | Bureaux | 60 | 15 % HT du loyer annuel HT à la charge du preneur, payables à la signature du bail | T.V.A. (20%) | ILAT Indice des Loyers des Activités Tertiaires | Trimestriel d'avance | ||||||||||||
| RDC | Activités | 180 | 15 % HT du loyer annuel HT à la charge du preneur, payables à la signature du bail | T.V.A. (20%) | ILAT Indice des Loyers des Activités Tertiaires | Trimestriel d'avance | ||||||||||||
| Total Cellule 5 | Activités | 240 | Immédiate | 85 HT/HC/m²/an | 1 790 HT/an | 15 % HT du loyer annuel HT à la charge du preneur, payables à la signature du bail | T.V.A. (20%) | commercial 3-6-9 ans | ILAT Indice des Loyers des Activités Tertiaires | Trimestriel d'avance | 5 | |||||||
| Bureaux | 68 | 15 % HT du loyer annuel HT à la charge du preneur, payables à la signature du bail | T.V.A. (20%) | ILAT Indice des Loyers des Activités Tertiaires | Trimestriel d'avance | |||||||||||||
| RDC | Activités | 199 | 15 % HT du loyer annuel HT à la charge du preneur, payables à la signature du bail | T.V.A. (20%) | ILAT Indice des Loyers des Activités Tertiaires | Trimestriel d'avance | ||||||||||||
| Parkings | - | 15 % HT du loyer annuel HT à la charge du preneur, payables à la signature du bail | T.V.A. (20%) | ILAT Indice des Loyers des Activités Tertiaires | Trimestriel d'avance | |||||||||||||
| Total Cellule 8 & 9 | Activités | 267 | Immédiate | 83 HT/HC/m²/an | 15 % HT du loyer annuel HT à la charge du preneur, payables à la signature du bail | T.V.A. (20%) | commercial 3-6-9 ans | ILAT Indice des Loyers des Activités Tertiaires | Trimestriel d'avance | 8 & 9 | ||||||||
| R+1 | Bureaux | 62 | 15 % HT du loyer annuel HT à la charge du preneur, payables à la signature du bail | T.V.A. (20%) | ILAT Indice des Loyers des Activités Tertiaires | Trimestriel d'avance | ||||||||||||
| RDC | Activités | 56 | 15 % HT du loyer annuel HT à la charge du preneur, payables à la signature du bail | T.V.A. (20%) | ILAT Indice des Loyers des Activités Tertiaires | Trimestriel d'avance | ||||||||||||
| Total Cellule 18 | Activités | 118 | Immédiate | 65 HT/HC/m²/an | 15 % HT du loyer annuel HT à la charge du preneur, payables à la signature du bail | T.V.A. (20%) | commercial 3-6-9 ans | ILAT Indice des Loyers des Activités Tertiaires | Trimestriel d'avance | 18 | ||||||||
| RDC | Activités | 75 | 15 % HT du loyer annuel HT à la charge du preneur, payables à la signature du bail | T.V.A. (20%) | ILAT Indice des Loyers des Activités Tertiaires | Trimestriel d'avance | ||||||||||||
| Total Cellule 24 | Activités | 75 | 1er avril 2026 | 82 HT/HC/m²/an | 15 % HT du loyer annuel HT à la charge du preneur, payables à la signature du bail | T.V.A. (20%) | commercial 3-6-9 ans | ILAT Indice des Loyers des Activités Tertiaires | Trimestriel d'avance | 24 | ||||||||
| Stockage | 30 | 15 % HT du loyer annuel HT à la charge du preneur, payables à la signature du bail | T.V.A. (20%) | ILAT Indice des Loyers des Activités Tertiaires | Trimestriel d'avance | |||||||||||||
| Total Cellule 28 | Activités | 30 | Immédiate | 100 HT/HC/m²/an | 15 % HT du loyer annuel HT à la charge du preneur, payables à la signature du bail | T.V.A. (20%) | Bail Dérogatoire (précaire) | ILAT Indice des Loyers des Activités Tertiaires | Trimestriel d'avance | 28 | ||||||||
| Total | 973 m² | |||||||||||||||||
| 3 extérieur 3 extérieur | ||||||||||||||||||
Localisation et accessibilité
- Bus: Bus TCL lignes 79 et Zi3
Ces biens pourraient vous intéresser
Ces articles peuvent vous intéresser
| Étage | Bâtiment | Type | Surfaces | Disponibilité | Loyer | Charges | Honoraires | Fiscal | Bail | Révision annuelle | Prix | Charges | Honoraires | Fiscal | Paiement Loyer | lot | Coworking | |
|---|---|---|---|---|---|---|---|---|---|---|---|---|---|---|---|---|---|---|
| Activités | 243 | 15 % HT du loyer annuel HT à la charge du preneur, payables à la signature du bail | T.V.A. (20%) | ILAT Indice des Loyers des Activités Tertiaires | Trimestriel d'avance | |||||||||||||
| Parkings | - | 15 % HT du loyer annuel HT à la charge du preneur, payables à la signature du bail | T.V.A. (20%) | ILAT Indice des Loyers des Activités Tertiaires | Trimestriel d'avance | |||||||||||||
| Total Cellule 3 | Activités | 243 | Immédiate | 85 HT/HC/m²/an | 1 811 HT/an | 15 % HT du loyer annuel HT à la charge du preneur, payables à la signature du bail | T.V.A. (20%) | commercial 3-6-9 ans | ILAT Indice des Loyers des Activités Tertiaires | Trimestriel d'avance | 3 | |||||||
| Mezzanine | Bureaux | 60 | 15 % HT du loyer annuel HT à la charge du preneur, payables à la signature du bail | T.V.A. (20%) | ILAT Indice des Loyers des Activités Tertiaires | Trimestriel d'avance | ||||||||||||
| RDC | Activités | 180 | 15 % HT du loyer annuel HT à la charge du preneur, payables à la signature du bail | T.V.A. (20%) | ILAT Indice des Loyers des Activités Tertiaires | Trimestriel d'avance | ||||||||||||
| Total Cellule 5 | Activités | 240 | Immédiate | 85 HT/HC/m²/an | 1 790 HT/an | 15 % HT du loyer annuel HT à la charge du preneur, payables à la signature du bail | T.V.A. (20%) | commercial 3-6-9 ans | ILAT Indice des Loyers des Activités Tertiaires | Trimestriel d'avance | 5 | |||||||
| Bureaux | 68 | 15 % HT du loyer annuel HT à la charge du preneur, payables à la signature du bail | T.V.A. (20%) | ILAT Indice des Loyers des Activités Tertiaires | Trimestriel d'avance | |||||||||||||
| RDC | Activités | 199 | 15 % HT du loyer annuel HT à la charge du preneur, payables à la signature du bail | T.V.A. (20%) | ILAT Indice des Loyers des Activités Tertiaires | Trimestriel d'avance | ||||||||||||
| Parkings | - | 15 % HT du loyer annuel HT à la charge du preneur, payables à la signature du bail | T.V.A. (20%) | ILAT Indice des Loyers des Activités Tertiaires | Trimestriel d'avance | |||||||||||||
| Total Cellule 8 & 9 | Activités | 267 | Immédiate | 83 HT/HC/m²/an | 15 % HT du loyer annuel HT à la charge du preneur, payables à la signature du bail | T.V.A. (20%) | commercial 3-6-9 ans | ILAT Indice des Loyers des Activités Tertiaires | Trimestriel d'avance | 8 & 9 | ||||||||
| R+1 | Bureaux | 62 | 15 % HT du loyer annuel HT à la charge du preneur, payables à la signature du bail | T.V.A. (20%) | ILAT Indice des Loyers des Activités Tertiaires | Trimestriel d'avance | ||||||||||||
| RDC | Activités | 56 | 15 % HT du loyer annuel HT à la charge du preneur, payables à la signature du bail | T.V.A. (20%) | ILAT Indice des Loyers des Activités Tertiaires | Trimestriel d'avance | ||||||||||||
| Total Cellule 18 | Activités | 118 | Immédiate | 65 HT/HC/m²/an | 15 % HT du loyer annuel HT à la charge du preneur, payables à la signature du bail | T.V.A. (20%) | commercial 3-6-9 ans | ILAT Indice des Loyers des Activités Tertiaires | Trimestriel d'avance | 18 | ||||||||
| RDC | Activités | 75 | 15 % HT du loyer annuel HT à la charge du preneur, payables à la signature du bail | T.V.A. (20%) | ILAT Indice des Loyers des Activités Tertiaires | Trimestriel d'avance | ||||||||||||
| Total Cellule 24 | Activités | 75 | 1er avril 2026 | 82 HT/HC/m²/an | 15 % HT du loyer annuel HT à la charge du preneur, payables à la signature du bail | T.V.A. (20%) | commercial 3-6-9 ans | ILAT Indice des Loyers des Activités Tertiaires | Trimestriel d'avance | 24 | ||||||||
| Stockage | 30 | 15 % HT du loyer annuel HT à la charge du preneur, payables à la signature du bail | T.V.A. (20%) | ILAT Indice des Loyers des Activités Tertiaires | Trimestriel d'avance | |||||||||||||
| Total Cellule 28 | Activités | 30 | Immédiate | 100 HT/HC/m²/an | 15 % HT du loyer annuel HT à la charge du preneur, payables à la signature du bail | T.V.A. (20%) | Bail Dérogatoire (précaire) | ILAT Indice des Loyers des Activités Tertiaires | Trimestriel d'avance | 28 | ||||||||
| Total | 973 m² | |||||||||||||||||
| 3 extérieur 3 extérieur | ||||||||||||||||||































































































